构筑企业安全生产防火墙
简 繁 En
江苏安普电子工程有限责任公司 powered by 安普科技有限公司
  • 首页
  • 关于我们
    • 关于我们
    • 公司动态
    • 通知公告
    • 人才加盟
    • 联系我们
  • 在线展厅
  • 产品展示
  • 解决方案
    • 行业解决方案
    • 纺织流程防火方案
    • 客户案例
  • 售后服务
    • 售后服务政策
    • 售后服务电话
    • 产品责任保险
  • 技术支持
    • 维护手册
    • 安装视频
    • 产品说明书
  • APP下载
    • 物联平台入口
    • APP下载
  • 当前位置:首页
  • 客户案例
  • 汽车制造企业车身焊接车间除尘器防火

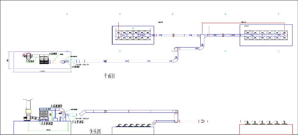
汽车制造企业车身焊接车间除尘器防火

2020-12-24 19:57:00
ampe
原创
5454

  • 没有了
  • 细纱车间排风地沟防火案例
文章分类
  • 技术支持
    • 资料下载
      • 产品简介
      • 使用手册
  • 公司动态
  • 安普讲堂
    • 防火知识
    • 行业资讯
    • 法律法规
  • 视频中心
    • 产品演示
    • 消防宣传
    • 员工风采
    • 企业视频
    • 产品安装
  • 解决方案
    • 行业防火解决方案
    • 纺织流程防火方案
  • 通知公告
  • 活动专题
  • 客户案例
联系我们
联系人: 任经理
电话: 0519-82612300/82656666/82616999/13961263111
传真: 0519-82616555
Email: web@ampecn.com
旺旺: 安普科技有限公司
地址: 江苏常州金坛区西环二路16号
底部导航1
  • 关于我们
    • 公司简介
    • 联系我们
    • 公司动态
  • 客户案例
    • 客户案例
    • 行业防火解决方案
    • 纺织流程防火方案
  • 产品展示
    • 金属火花探除器
    • 老款金属火花探除器
    • 其他设备
  • 技术支持
    • 产品说明书下载
    • 老款产品说明书下载
    • 产品安装视频
  • 售后支持
    • 售后服务政策
    • 售后服务电话
    • 产品责任保险
  • 云报销入口
    • 云报销视频讲解
站点地图
© 1992- 2025 江苏安普电子工程有限责任公司 powered by 安普科技有限公司    苏ICP备15047245号-1
ZSITE8.6.2
SQL查询: 116 次
内存占用: 2.00MB
PHP 执行时间: 0.13 秒
移动访问